English
Español
Português
русский
Français
日本語
Deutsch
tiếng Việt
Italiano
Nederlands
ภาษาไทย
Polski
한국어
Svenska
magyar
Malay
বাংলা ভাষার
Dansk
Suomi
हिन्दी
Pilipino
Türkçe
Gaeilge
العربية
Indonesia
Norsk
تمل
český
ελληνικά
український
Javanese
فارسی
தமிழ்
తెలుగు
नेपाली
Burmese
български
ລາວ
Latine
Қазақша
Euskal
Azərbaycan
Slovenský jazyk
Македонски
Lietuvos
Eesti Keel
Română
Slovenski
मराठी
Srpski језик
Tuotteen ominaisuuses
1, DC-tuotanto ja DC-varastointi, enemmän tehokkuutta ja pienempi häviö, joka sopii aurinkosähköille ja tallennusteho on suurempi
kuin kuormitus sähköverkon ulkopuolisissa skenaarioissa;
2, IP65-suojaus, sopii ulkokäyttöön. Läheinen MPPT tehostaa konvergenssilähtöä, mikä auttaa estämään johdotuksen
sekaannus, joka johtuu useiden aurinkosähkökaapeleiden (PV) lähettämisestä pitkiä matkoja all-in-one-järjestelmään.
3, 200-900V laaja jännitealue aurinkosähkötulon, joka tukee alan korkean virran aurinkosähkömoduulien pääsyä.
4、Monikanavainen MPPT, joka täyttää PV-paneelin monikulmaisen
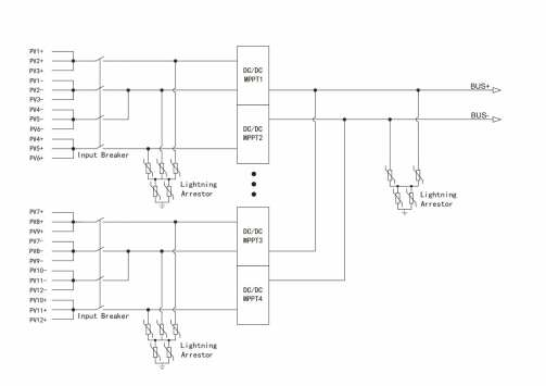
Kytkentäkaavio

Erittely
| Mallit | MPPT-8 | MPPT-6 | MPPT-12 | |
| PV-puolen käyttöliittymä Parametrit |
Maksimi PV-ryhmän jännite | 900V | ||
| MPPT-jännitealue | 200V-900V | |||
| Nimellisjännitealue MPPT | 560V-900V | |||
| Suurin haaravirta | 24A | 20A | ||
| PV-tulomerkkijonojen numero | 8 | 6 | 12 | |
| MPPT:n lukumäärä | 8 | 2 | 4 | |
| Nykyinen per MPPT | 20A | 55A | ||
| Lähtöparametrit | Jännitealue | 600-950V | ||
| Nimellisjännite | Oletus 716.8V, säädettävä | |||
| Nimellislähtövirta | 118A | 84A | 168A | |
| Nimellislähtöteho | 84 kW | 60 kW | 120 kW | |
| Suurin lähtövirta | 192A | 120A | 240A | |
| Järjestelmän parametrit | EU:n kaupunki | 99,4 % | ||
| IP-luokka | IP65 | |||
| Jäähdytyskonsepti | Luonnollinen konvektio | Pakotettu ilmajäähdytys | ||
| Mitat (L*S*K) | 550x530x280mm | 630×460×260 mm | 630×460×260 mm | |
| Paino | 42kg | 25kg | 30kg | |
| Käyttölämpötila | -30-55 ℃ | |||
| Virtalähteen tilat | Itsekäyttöinen (ilman virrankulutusta yöllä) | |||
| Viestintäliittymä | RS485 | |||
