Keskikokoinen hybridijärjestelmä

Keskikokoinen hybridijärjestelmä

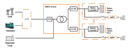
On-grid ja off-grid energian varastointijärjestelmä yhdistää aurinkosähkön (PV) sähköntuotannon, energian varastoinnin ja älykkään ohjauksen. Se voi toimia sekä verkkoon kytketyssä että erillisessä tilassa, mikä varmistaa jatkuvan ja vakaan virransyötön.

Lähetä kysely

Tuotteen Kuvaus


Ominaisuus

Järjestelmä hyödyntää modulaarisia invertteriyksiköitä rinnakkaiskokoonpanossa, jossa

kunkin invertterimoduulin DC-tulo vastaa erillistä akkukaappia,

mahdollistaa klusterikohtaisen hallinnan eliminoimaan välillä olevat kiertovirrat

akun kielet.

AC/DC tehomoduulit tukevat joustavaa käyttöönottoa sekä määrällisesti että

teho, maksimikapasiteetti 60 kW moduulit 5 yksikön rinnakkain

kokoonpano.

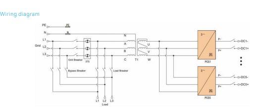
Tehomoduulien AC-lähtö toimitetaan muuntajan kautta

eristetty lähtöaste, joka syöttää tehoa kuormaan, jolla on vahva vastus

nykyinen shokki.

Hybridi-ESS käyttää DC-kytkettyä aurinkosähköintegraatiota, mikä saavuttaa korkean tason

energian muunnostehokkuus ja optimoitu sähköverkkoon kuulumattomiin PV-skenaarioihin

tuotantokapasiteetti ylittää kuormitustarpeen; Ulkokäyttöiset MPPT-ohjaimet

yhdistä yhdistäjä- ja MPPT-toiminnot yhdeksi karkaistuksi koteloksi.

Täydellinen järjestelmä sisältää dieselgeneraattorin ATS-vaihtoehdon, 300 kW:n hybridin

invertteri, PV MPPT -ohjain ja akkuenergian varastointijärjestelmä.



Ominaisuus

Järjestelmä hyödyntää modulaarisia invertteriyksiköitä rinnakkaiskokoonpanossa, jossa

kunkin invertterimoduulin DC-tulo vastaa erillistä akkukaappia,

mahdollistaa klusterikohtaisen hallinnan eliminoimaan välillä olevat kiertovirrat

akun kielet.

AC/DC tehomoduulit tukevat joustavaa käyttöönottoa sekä määrällisesti että

teho, maksimikapasiteetti 60 kW moduulit 5 yksikön rinnakkain

kokoonpano.

Tehomoduulien AC-lähtö toimitetaan muuntajan kautta

eristetty lähtöaste, joka syöttää tehoa kuormaan, jolla on vahva vastus

nykyinen shokki.

Hybridi-ESS käyttää DC-kytkettyä aurinkosähköintegraatiota, mikä saavuttaa korkean tason

energian muunnostehokkuus ja optimoitu sähköverkkoon kuulumattomiin PV-skenaarioihin

tuotantokapasiteetti ylittää kuormitustarpeen; Ulkokäyttöiset MPPT-ohjaimet

yhdistä yhdistäjä- ja MPPT-toiminnot yhdeksi karkaistuksi koteloksi.

Täydellinen järjestelmä sisältää dieselgeneraattorin ATS-vaihtoehdon, 300 kW:n hybridin

invertteri, PV MPPT -ohjain ja akkuenergian varastointijärjestelmä.









Tekniset tiedot

Mallit P200TS-400-A P250TS-400-A P300TS-400-A

DC-puolen parametrit
Jännitealue 650-950 VDC
Moduulikohtainen tulokytkin 250A
DC-kanavien lukumäärä 3 tapaa 4 tapaa 5 tapaa

AC-puolen parametrit
(verkkoon kytketty)
Nimellislähtöteho 200 kW 250 kW 300 kW
Suurin lähtöteho 220 kW 275 kW 330 kW
Nimellislähtövirta 289A 361A 433A
THDi <3 %
Ruudukkotyyppi 3W+N+PE
Jännitealue 360Vac ~ 440Vac
Taajuusalue 45-55Hz/55-65Hz
Tehokerroin -1~1

Saaristomainen
AC-puolen parametrit
Nimellislähtöteho 200 kW 250 kW                    300 kW
Nimellislähtöjännite 400 VAC
Nimellislähtötaajuus 50/60 Hz
THDu <1 % lineaarinen, <5 % epälineaarinen <1 % lineaarinen, <5 % epälineaarinen
Ylikuormituskapasiteetti 110 % ylikuormitus 10 minuuttia 110 % 10 minuuttia

Grid-saari
Siirto ja kytkinlaitteet
Huollon ohituskytkin 400A 630A
Verkkokytkimet 630A 800A
Latauskytkimet 400A 630A
STS-yksikkö 577A/400kW 722A/500kW
Vaihtoaika <20ms

Järjestelmän parametrit
Huipputehokkuus 97,5 %
Käyttölämpötila -30 - 55 ℃ - 30 - 55 ℃ (yli 40 ℃)
Suhteellinen kosteus 0 ~ 95 % RH, 0 ~ 95 % RH, Kondensoitumaton
Mitat (P*S*K) 1300×1050×2050 mm
Paino 1400kg 1700kg               1800kg
IPgrade IP21 IP21 (täysi sarja)
Melu <70dB
Näyttöruutu LCD-kosketusnäyttö
BMS-viestintä VOI
EMS-viestintä TCP/IP


Hot Tags: Keskikokoinen hybridijärjestelmä
Lähetä kysely
Ole hyvä ja lähetä kyselysi alla olevalla lomakkeella. Vastaamme sinulle 24 tunnin kuluessa.
X
Käytämme evästeitä tarjotaksemme sinulle paremman selauskokemuksen, analysoidaksemme sivuston liikennettä ja mukauttaaksemme sisältöä. Käyttämällä tätä sivustoa hyväksyt evästeiden käytön. Tietosuojakäytäntö