English
Español
Português
русский
Français
日本語
Deutsch
tiếng Việt
Italiano
Nederlands
ภาษาไทย
Polski
한국어
Svenska
magyar
Malay
বাংলা ভাষার
Dansk
Suomi
हिन्दी
Pilipino
Türkçe
Gaeilge
العربية
Indonesia
Norsk
تمل
český
ελληνικά
український
Javanese
فارسی
தமிழ்
తెలుగు
नेपाली
Burmese
български
ລາວ
Latine
Қазақша
Euskal
Azərbaycan
Slovenský jazyk
Македонски
Lietuvos
Eesti Keel
Română
Slovenski
मराठी
Srpski језик
Tuotteen ominaisuudet
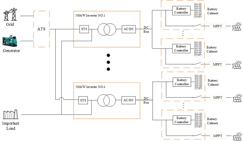
1. Yli 500 kW:n kuormituksissa suositellaan käytettäväksi suurikapasiteettista 500 kW:n yhden yksikön energiaa varastoivaa invertteriä, joka pystyy tukemaan jopa neljää rinnakkaiskytkentäsarjaa, jolloin kokonaisteho on 2 MW;
2. Kun käytetään useita 500 kW:n järjestelmiä rinnakkain ja jaetaan erilaisia STSacross-inverttereitä 500 kW:n inverttereitä, on ratkaisevan tärkeää varmistaa, että kaapelin pituus verkon liitoskohdasta kuorman sidoskohtaan on tasainen;
3. Hybridi-ESS käyttää DC-kytkettyä aurinkosähköintegraatiota, joka saavuttaa korkean energian muunnostehokkuuden ja on optimoitu verkon ulkopuolisiin skenaarioihin, joissa aurinkosähkön tuotantokapasiteetti ylittää kuormituksen tarpeen. Ulkokäyttöön tarkoitettu MPPT
ohjaimet yhdistävät yhdistäjä- ja MPPT-toiminnot yhdeksi karkaistuksi koteloksi. Täydellinen järjestelmä sisältää dieselgeneraattorin ATS-vaihtoehdon, 300 kW:n hybridi-invertterin, PV MPPT -ohjaimen ja akun
energian varastointijärjestelmä.


Erittely
| Mallit | P500TS-400-A | |
|
DC-puolen parametrit |
Jännitealue | 500-950V |
| Maksimivirta | 1128A | |
| Nimellislähtöteho | 500 kW | |
|
AC-puolen parametrit (verkkoon kytketty) |
Suurin lähtöteho | 550 kW |
| Nimellislähtövirta | 722A | |
| THDi | <3 % | |
| Ruudukkotyyppi | 3W+N+PE | |
| Jännitealue | 360VAC ~ 440VAC | |
| Taajuusalue | 45-55Hz/55-65Hz | |
| Tehokerroin | -1~1 | |
| Nimellislähtöteho | 500 kW | |
|
AC-puolen parametrit (Ei verkkoon) |
Nimellislähtöjännite | 400V |
| Nimellislähtötaajuus | 50/60 Hz | |
| THDu | <1 % lineaarinen kuormitus, < 5 % epälineaarinen kuormitus | |
| Ylikuormituskapasiteetti | 110 % 10 minuuttia | |
| Huollon ohituskytkin | 1250A | |
|
Off-Grid-kytkin ja kytkimen kokoonpano |
DC-kytkin | 1250A |
| Latauskytkin | 1250A | |
| Verkkokytkin | 1250A | |
| STS-yksikkö | 1155A/800kW | |
| Vaihtoaika | <20ms | |
|
Järjestelmän parametrit |
Huipputehokkuus | 97,5 % |
| Käyttölämpötila | -30 ~55 ℃ (Alentaa yli 40 ℃) | |
| Suhteellinen kosteus | 0 - 95 % RH, ei kondensoituvaa | |
| Mitat (P*S*K) | 1600×1050×2050 mm | |
| Paino | 2700kg | |
| IPgrade | IP21 IP21 (täysi kone) | |
| Melu | <70dB | |
| Näyttöruutu | LCD | |
| BMS-viestintä | VOI | |
| EMS-viestintä | TCP/IP | |